، البته ویژگی های آن با نمونه قبلی برد رسپبری پای یعنی مدل B مقایسه می شود. در بخش دوم و سوم مقاله مشخصات منبع تغذیه نمونه های قدیمی و جدید بررسی شده و در نهایت در بخش چهارم سخت افزارهای برد رسپبری پای ارائه می شود.

بررسی اجمالی ویژگی های جدید:
- دارای منبع توان کاهنده 3.3 ولت و 1.8ولت
- محافظ پلاریته منبع توان 5 ولت، فیوز 2 آمپر و حفاظت گرمایی
- تراشه کنترلر جدید برای USB و Ethernet
- قرارگیری 4 پورت USB به جای 2 پورت
- قرارگیری 40 پین GPIO به جای 26 پین. 26 پین ابتدایی با نمونه های قبلی یکسان است و بقیه پین ها با توجه به کاربرد مورد نظر اضافه شده است.
- اتصال NTSC/PAL برای ویدئو با اتصال 4 قطبی، 3.3 میلی متری هدفون جایگزین شده است.
- به کارگیری کارت حافظه SD میکرو به جای اندازه ی بزرگ
- وجود چهار سوراخ بر روی برد
- مقداری جابه جایی در کانکتورها


مشخصاتی که تغییر نکرده است:
- اندازه برد: 85mm * 56mm
- پردازنده یکسان، Broadcom SoC at 700MHz
- حافظه RAM یکسان که برروی پردازنده اصلی Broadcom لحیم کاری شده است.
- کانکتور میکرو USB برای تامین توان
- نرم افزار و سیستم عامل یکسان به خوبی بر روی این برد کار می کند، فقط مطمئن شوید که از ورژن هایی که بعد از June 2014 ارائه شده استفاده می کنید.
- 26 پین ابتدایی GPIO یکسان هستند.
- پورت HDMI
- بخش صوتی مربوط به کانکتور A/V
- کانکتور یکسان برای دوربین و نمایشگر DSI
چه مواردی به کار خود ادامه می دهند:
- تمامی دستگاه هایی که از USB و دانگل وای فای و ... پشتیبانی می کنند.
- تمامی نمایشگرهایی که بر پایه HDMI می باشند.
- تمامی نمایشگرهایی که بر پایه NTFS می باشند. فقط نیاز به یک کابل A/V دارند تا به پین ویدئو متصل شوند.
- دوربین های برد رسپبری پای
- تمامی کابل های دیگر مانند، کابل USB، میکرو USB، کابل شبکه، مبدل HDMI به VGA، هاب USB، منابع توان...
چه مواردی دیگر کار نخواهند کرد:
مواردی که بررسی می شود، برای قطعاتی است که مربوط به برد رسپبری پای مدل B می باشند و نه مدل های دیگر.
سیستم عامل:
شاید لازم باشد که از سیستم عامل جدید استفاده کنید. در صورتی که از ورژن های قدیمی Raspbian یا NooBs و یا هر سیستم عامل دیگری استفاده می کنید، حتما آنها را توسط دستورهای sudo apt-get update و sudo apt-get upgrade به روزرسانی کنید، در غیر این صورت تراشه های USB و Ethernet کار نخواهند کرد. برای این کار می توانید از همان مدل قبلی برد رسپبری پای یعنی مدل B و کابل شبکه و یا USB برای دانلود ورژن جدید از اینترنت استفاده کنید.
کابل GPIO و Cobblers:
نکته مهم این است که هنوز دستگاه ها و قطعاتی هستند که از کابل های GPIO با 26 پین استفاده می کنند.

با وجود اینکه 26 پین ابتدایی قابل استفاده می باشند، ولی کابل های IDC در بخش های انتهایی خود مقداری بخش اضافه دارند که در زمان اتصال، با پین های 27 و 28 برخورد می کنند. برای حل این مشکل می توانید آن دو پین را با کاتر جدا کنید، که کار درستی نیست. البته اگر بتوانید کابلی مشابه شکل زیر پیدا کنید، مناسب است.

کارت صدای Wolfson و دستگاه های I2S (نه I2C):
این دستگاه ها وابسته به پین های I2S بودند که در کنار پین های GPIO برد رسپبری پای وجود داشت. حال در مدل B+، آنها در پین های اصلی GPIO قرار گرفته اند.
لوازم جانبی:
لوازم جانبری برد رسپبری پای مدل B ممکن است که با مدل B+ همخوانی نداشته باشند. با توجه به اینکه مکان پورت ها و سوراخ های روی برد تغییر کرده است.
یکی از تغییرات مهم در برد رسپبری پای مدل B+ استفاده از منبع تغذیه جدید می باشد. منبع تغذیه نقش مهمی در کارکرد درست قطعات مدار دارد و یک منبع بد می تواند موجب آسیب رسیدن به قطعات و عملکرد نادرست آنها شود.
منبع تغذیه برد رسپبری پای مدل A و B:
دریافت توان توسط پورت میکرو USB انجام می شود و توانایی تامین ولتاژهای 5V، 3.3V، 2.5V و 1.8V را برای هسته های مختلف دارد. 3.3 / 2.5 / 1.8 ولت برای پردازنده و شبکه می باشند.

شماتیک منبع توان 5V را در اینجا مشاهده می کنید:

توان از سمت چپ تصویر و از طریق اتصال میکرو USB نوع B وارد شده، از فیوز مینی SMD به نام F3 عبور می کند. در ادامه مسیر نیز دیود محافظ ولتاژ D17 به همراه تعدادی خازن(C2, C3, C6) به صورت موازی قرار دارند. این بخش ولتاژ 5V مربوط به USB می باشد.
چند نکته مثبت در رابطه با این طراحی:
- ارزان قیمت است، لذا باعث ساده و کم هزینه شدن برد رسپبری پای مدل B می شود.
- به کارگیری دیودهای محافظ TVS برای حفاظت در برابر اضافه ولتاژ و ولتاژ معکوس (البته این دیود توانایی محافظت در برابر ولتاژ های بالا مانند 120V یا 220V را ندارد)
- وجود فیوز برای محافظت در برابر اضافه جریان تا 1A
نکات مهم:
- در صورتی که ولتاژ ورودی از طریق میکرو USB به اندازه 5V نبوده و به طور مثال 4V ولت باشد، در این صورت این مقدار ولتاژ بسیار پایین است، در حالی که برد رسپبری پای هیچ گونه هشداردهنده و یا مداری برای جبران این کمبود ندارد.
- این موضوع به آسانی می تواند توسط پورت های USB قدیمی و بی کیفیت به همراه سیم های نازک اتفاق بیافتد. این سیم ها مانند یک مقاومت و کاهنده ولتاژ عمل می کنند.
- در صورتی که ولتاژ اعمالی نویزی و نوسانی باشد، می تواند برای برد رسپبری پای و هر دستگاهی که به پورت USB متصل است، مشکل ایجاد کند.
- در صورتی که قطعه ای را به پورت USB متصل کنید، جریان ناگهانی می تواند باعث کاهش ولتاژ در خط 5V شده و تمامی دستگاه های متصل به USB و حتی برد رسپبری پای را restart کند.
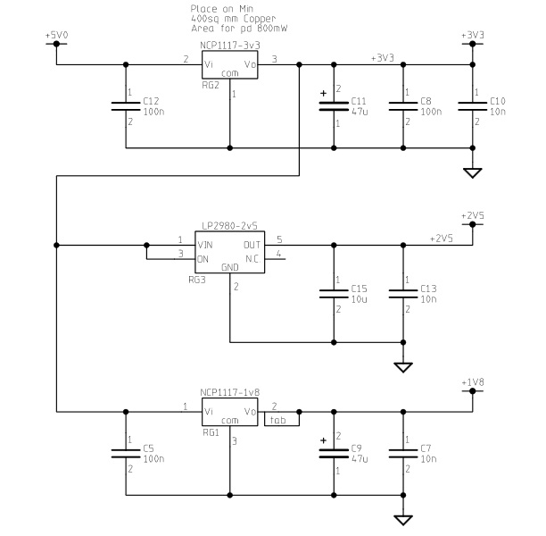
مدار منبع توان 3.3V, 2.5V و 1.8V را می توانید در شکل زیر مشاهده کنید:

در سمت چپ مدار ولتاژ 5V را مشاهده می کنید که وارد رگولاتور ولتاژ NCP1117-3.3 شده و خروجی آن نیز وارد رگولاتور های LP2980-2V5 و NCP1117-1N8 می شود.
برای تامین ولتاژ 3.3V از منبع 5V استفاده شده است، به این صورت که 5 – 3.3 = 1.7V از طریق گرما حذف می شود. دلیل گرم شدن رگولاتور 3.3V نیز همین می باشد.(ولی نگران نباشید، این موضوع آسیبی به آن می رساند)
در قسمت دوم مقاله معرفی برد رسپبری پای مدل B+ بخش منبع تغذیه برد رسپبری پای مدل B+ مورد بررسی قرار می گیرد.
با گذشت زمان و ارائه نمونه های جدید برد رسپبری پای با ویژگی های بهتر، این برد کاربردی و جالب در بین پژوهشگران و علاقه مندان بیشتر جایگاه خود را پیدا می کند. شما هم می توانید این برد را به دوستان خود معرفی کنید. نظرات خود را در رابطه با برد رسپبری پای با علاقه مندان به این مباحث در میان بگذارید.
ترجمه شده توسط تیم الکترونیک سایت صنعت بازار | منبع: سایت adafriut
نظرات (0)