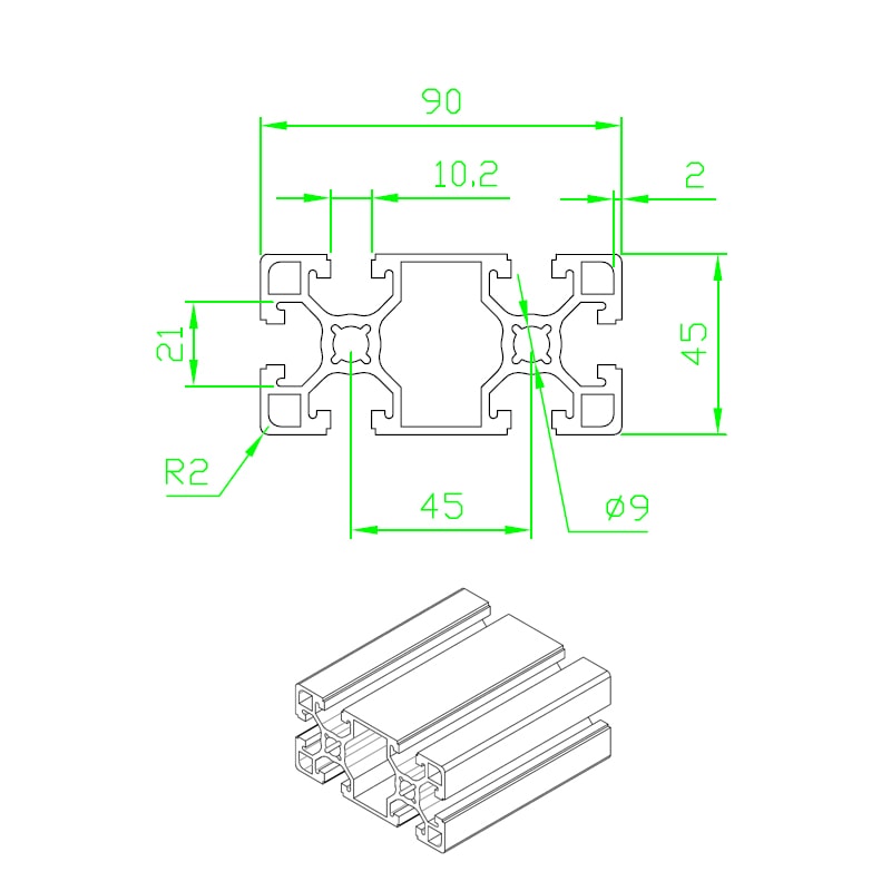
پروفیل آلومینیومی شیاردار 90×45 سنگین به دلیل برش در سایز و اندازههای دلخواه کاربردهای فراوانی دارد و در اغلب پروژهها مورد استفاده قرار میگیرد. پروفیلهای شیاردار 90×45 دارای سه سایز سبک (نرمال)، متوسط و سنگین میباشند که بنا به کاربرد و نوع نیاز خود بایستی انتخاب درستی داشته باشیم. به طور کلی از مهمترین قابلیت پروفیلهای آلومینیومی شیاردار که به پروفیلهای مهندسی و یا صنعتی نیز معروف هستند میتوان به عدم نیاز به جوشکاری جهت اتصال سایر پروفیلها به یکدیگر از طریق اتصالات و مهرههای مناسب پروفیل اشاره کرد که این مزیت موجب محبوبیت در بین کاربران شده است. استحکام بالای این محصول باعث شده علاوه بر کاربرد در پروفیلهای آلومینیومی شیاردار 90×45 سبک (نرمال)، بتوان در پروفیلهای 45x45 متوسط و یا سنگین و همچنین سایر پروفیلهایی که اسلات یکسانی دارند، این پروفیل را مورد استفاده قرار داد. پروفیلهای شیاردار مهندسی در دستگاههای CNC، پرینترهای سه بعدی، ساخت انواع پارتیشن، ساخت پایه، میزهای کار، ماشین آلات صنعتی و غیره بسیار پرکاربرد هستند که این موارد افزون بر موارد ذکر شده موجب استقبال کاربران از این محصولات شده است. اگر بخواهیم این محصول را با پروفیلهای آلومینیومی شیادار 90×45 سبک (نرمال) و یا متوسط مقایسه کنیم، علاوه بر شکل ظاهری متفاوت میتوان به وزن، ضخامت و مقاومت مختلف اشاره داشت.
سایر ویژگیها:
با توجه به اینکه پروفیل آلومینیومی شیاردار 90×45 سنگین از استحکام، مقاومت و پایداری بالایی برخوردار است و در اغلب پروژههای DIY، ماشین آلات صنعتی و غیره کاربرد دارد، نظر شما راجع به سایر قابلیتهای این محصول چیست؟ دیدگاه خود را با ما در میان بگذارید.
هر آنچه که درباره پروفیلهای آلومینیومی شیاردار باید بدانیم
تلفن و صندوق صوتی: ۰۲۱۲۸۴۲۱۴۹۰
تلفن: ۰۲۱۹۱۰۳۵۳۸۱
فقط برای پیام تلگرام، بله و ایتا: 09105907613
آدرس انبار: تهران، بزرگراه فتح (متوسلیان)، سه راه شهریار، بزرگراه باغستان، شهرک صنعتی گلگون،خیابان ششم جنوبی، پلاک 2
کد پستی: 3359751646
ساعت کاری از 9 تا 17 شنبه تا چهارشنبه و پنجشنبه از 9 تا 13.
فعالیت فروشگاه بصورت اینترنتی می باشد لذا از مراجعه حضوری خودداری فرمایید.
©کپی رایت 2020-2016 | تمام حقوق برای صنعت بازار محفوظ است