توضیحات
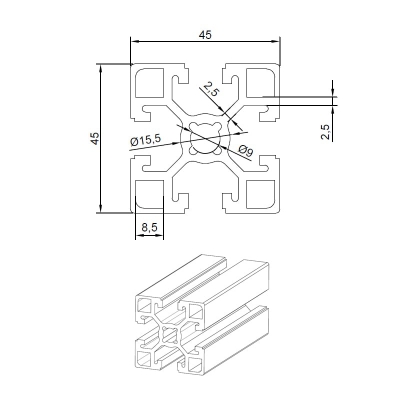
ضخامت زیاد پروفیل آلومینیومی شیاردار 45×45 سنگین سبب شده این محصول از مقاومت و پایداری بالایی برخوردار باشد و بتواند به سادگی بارهای نسبتا سنگین را تحمل کند و مشکلاتی از قبیل تاب برداشتن و یا خم شدگی برای این پروفیل اتفاق نیفتد. نام دیگر پروفیل آلومینیومی شیاردار، پروفیل مهندسی و یا پروفیل صنعتی است که از کاربردهای مهم این محصولات میتوان به استفاده در پارتیشنبندیها، پرینترهای سه بعدی، دستگاههای CNC، انواع ماشین آلات صنعتی، پایه و نگهدارنده دستگاهها، ساخت قفسه و غیره اشاره کرد. از مهمترین مزیتی که این محصول و به طور کلی پروفیلهای آلومینیومی شیاردار صنعتی دارند عدم نیاز به جوشکاری جهت اتصال سایر پروفیلها به یکدیگر از طریق اتصالات و مهره پروفیل میباشد که این قابلیت سبب شده کاربران این پروفیل مهندسی رو به گسترش باشد. در شکل زیر میتوان نمونههایی از این اتصالات را مشاهده کرد.

اگر بخواهیم پروفیل آلومینیومی شیاردار 45×45 سنگین را با پروفیل آلومینیومی شیاردار 45×45 سبک مقایسه کنیم، علاوه بر اختلاف در شکل ظاهری میتوان به تفاوت در ضخامت، مقاومت و وزن بالای پروفیل 45×45 سنگین نسبت به پروفیل 45×45 سبک اشاره کرد، که بنا به کاربرد خود بایستی انتخاب درستی داشته باشیم.
سایر ویژگیها:
- قابلیت به کارگیری در پروژههای DIY
- طیف گستردهای از طولهای مختلف
- برش رایگان در اندازههای دلخواه
- کیفیت و قیمت مناسب
- قابلیت سختیکاری
با توجه به اینکه پروفیل آلومینیومی شیاردار 45×45 سنگین کارایی و کیفیت بالایی دارد و در اغلب دستگاههای صنعتی و حتی پروژههای DIY کاربرد دارد، نظر شما راجع به سایر قابلیتهای این محصول چیست؟ دیدگاه خود را با ما در میان بگذارید.